Курс € = 100 руб.
Продукция
Корзина
пуста
Личный кабинет
Курс € = 100 руб.
Скрыть меню
Бренды
Компрессорное оборудование
Теплообменное оборудование
Холодильные линейные компоненты
Электроника и автоматика
Емкостное оборудование
Увлажнители воздуха
Капиллярные трубки
Холодильные масла и припой
Вентиляторы
Средства очистки теплообменных блоков
Распродажа

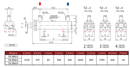
Испаритель кожухотрубный Thermokey серии «TLE» 860 кВт, R134a, T0=+3 , Tw +12 / +8, TLE 860/4

Цена: 
100 ₽
Количество на складе: отсутствует
  • Артикул: TLE 860/4
  • Бренд: Thermokey
  • Вес кг: 940
  • Вместимость по воде дм3: 468
  • Вместимость по хладагенту дм3: 200
  • Исполнение: четыре холодильных контура
  • Потери давления кПа: 49,3
  • Производитель: Thermokey
  • Холодопроизводительность кВт R407C T0=+2/dt5, Tw=+12 / +7: 860
  • Патрубки хладагента Вход / Выход: 35 / 89
  • Расход воды м3/час: 147,62

Описание

Кожухотрубные испарители THERMOKEY разработаны для применения в области охлаждения и кондиционирования воздуха.
Принцип работы испарителя: Холодильный агент при протекании внутри пучка теплообменных труб, кипит и отводит тепло от охлаждаемой жидкости, которая находится в межтрубном пространстве. Пучки теплообменных труб в кожухотрубном испарителе могут быть разделены на несколько независимых холодильных контуров, что позволяет использовать несколько холодильных машин и таким образом иметь регулировку производительности в широком диапазоне.

×
Оплачивайте картой по ссылке и забирайте товар в нашем офисе в этот же день! Подробнее