Курс € = 100 руб.
Продукция
Корзина
пуста
Личный кабинет
Курс € = 100 руб.
Скрыть меню
Бренды
Компрессорное оборудование
Теплообменное оборудование
Холодильные линейные компоненты
Электроника и автоматика
Емкостное оборудование
Увлажнители воздуха
Капиллярные трубки
Холодильные масла и припой
Вентиляторы
Средства очистки теплообменных блоков
Распродажа

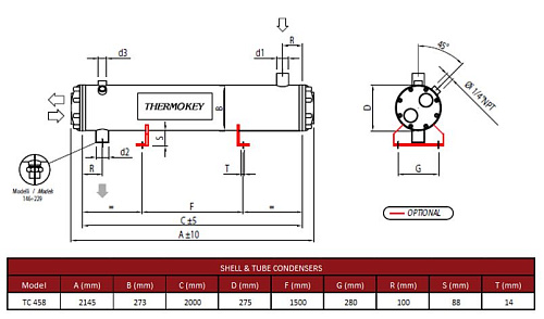
Конденсатор кожухотрубный Thermokey серии «TC» 458 кВт, R407c, Tk=+33.5 , Tw +15 / +30, TC 458

Цена: 
100 ₽
Количество на складе: отсутствует
  • Артикул: TC 458
  • Бренд: Thermokey
  • Вес кг: 196
  • Вместимость по воде дм3: 41,8
  • Вместимость по хладагенту дм3: 59
  • Исполнение: 4-х ходовое
  • Потери давления кПа: 36
  • Производитель: Thermokey
  • Производительность кВт R407C Tk-+33.5, Tw=+15 / +30: 458
  • Патрубки хладагента Вход / Выход: ODS54 / ODS42
  • Расход воды м3/час: 26,3

Описание

Конденсатор кожухотрубный Thermokey серии TC имеет расчетную теплопроизводительность 458 кВт при использовании хладагента R407C, условной температуре конденсации 33,5 °C и рабочем режиме с температурой воды в теплообменнике порядка +15…+30 °C; проектные объемы среды составляют около 41,8 дм3 для воды и 59 дм3 для хладагента, при расчётном расходе воды около 26,3 м3/ч.

Аппарат выполнен по кожухотрубной схеме с четырехходовым расположением хладагента, что обеспечивает последовательное прохождение через трубный пучок и равномерное распределение тепловой нагрузки при заданном расходе; присоединительные патрубки хладагента расположены раздельно (вход ODS54, выход ODS42), потери давления на стороне хладагента в номинальном режиме порядка 36 кПа.

Теплообменный пучок изготовлен из оребренных медных труб специального сплава с внутренней канавкой, что сочетает повышенную эффективность теплообмена и сниженную склонность к отложению; конструкция труб и оребрения рассчитана на работу с циркулирующей пресной или колодезной водой, при необходимости возможна модификация для эксплуатации в условиях контактирования с морской водой.

Модель предназначена для применения в системах охлаждения и кондиционирования воздуха промышленного и коммерческого назначения, включая промышленные холодильные агрегаты, системы хладоснабжения складов и пищевых производств; совместима с системами, рассчитанными на хладагент R407C и указанную гидравлическую схему подключения.

×
Оплачивайте картой по ссылке и забирайте товар в нашем офисе в этот же день! Подробнее