Курс € = 100 руб.
Продукция
Корзина
пуста
Личный кабинет
Курс € = 100 руб.
Скрыть меню
Бренды
Компрессорное оборудование
Теплообменное оборудование
Холодильные линейные компоненты
Электроника и автоматика
Емкостное оборудование
Увлажнители воздуха
Капиллярные трубки
Холодильные масла и припой
Вентиляторы
Средства очистки теплообменных блоков
Распродажа

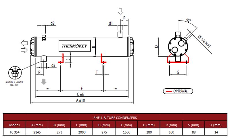
Конденсатор кожухотрубный Thermokey серии «TC» 354 кВт, R407c, Tk=+33.5 , Tw +15 / +30, TC 354

Цена: 
100 ₽
Количество на складе: отсутствует
  • Артикул: TC 354
  • Бренд: Thermokey
  • Вес кг: 173
  • Вместимость по воде дм3: 33,2
  • Вместимость по хладагенту дм3: 70
  • Исполнение: 4-х ходовое
  • Потери давления кПа: 36
  • Производитель: Thermokey
  • Производительность кВт R407C Tk-+33.5, Tw=+15 / +30: 354
  • Патрубки хладагента Вход / Выход: ODS54 / ODS42
  • Расход воды м3/час: 20,3

Описание

Кожухотрубный конденсатор Thermokey серии TC, модель TC 354, рассчитан на работу с хладагентом R407C и обеспечивает теплоотдачу порядка 354 кВт при указанном температурном режиме теплообмена (Tk = +33,5 °C; Tw = +15/+30 °C). Внутренние гидравлические параметры включают объём воды в теплообменнике 33,2 дм3, объём хладагента в корпусе 70 дм3, номинальный расход воды около 20,3 м3/ч и расчетное падение давления в трубном пучке порядка 36 кПа. Установленные диаметры патрубков хладагента для входа и выхода соответствуют ODS54 и ODS42, что определяет требования к присоединительным элементам системы.

Конструктивно агрегат выполнен по схеме кожухотрубного аппарата с четырёхходовым трубным пучком, при котором теплоносители последовательно проходят разделённые тракты теплообмена; такое решение определяет распределение температур и гидравлические характеристики в пределах теплообменной части. Патрубки хладагента расположены для последовательного подключения к холодильному контуру и рассчитаны на монтаж посредством соответствующих ODS-соединений.

Трубный пучок изготовлен из оребренных медных труб со внутренними канавками, сочетание наружного оребрения и внутренней модификации стенки увеличивает эффективную площадь теплообмена и снижает склонность к быстрому загрязнению поверхности труб. Применяемая технологическая компоновка направлена на повышение теплообмена со стороны как хладагента, так и стороны проточной воды; при необходимости возможна адаптация материалов и покрытий для работы с агрессивными типами воды.

Устройство предназначено для использования в системах охлаждения и кондиционирования воздуха промышленного назначения, где требуются конденсаторы высокой мощности при заданных температурных условиях; конструктивные и гидравлические параметры (расход и падение давления) следует учитывать при подборе насосного оборудования и трубопроводной арматуры. Конденсатор рассчитан на эксплуатацию с водопроводной и колодезной водой, по запросу допускается исполнение для работы с морской водой; совместимость с холодильным контуром определяется применяемым хладагентом R407C и размерами патрубков подключения.

×
Оплачивайте картой по ссылке и забирайте товар в нашем офисе в этот же день! Подробнее