Курс € = 100 руб.
Продукция
Корзина
пуста
Личный кабинет
Курс € = 100 руб.
Скрыть меню
Бренды
Компрессорное оборудование
Теплообменное оборудование
Холодильные линейные компоненты
Электроника и автоматика
Емкостное оборудование
Увлажнители воздуха
Капиллярные трубки
Холодильные масла и припой
Вентиляторы
Средства очистки теплообменных блоков
Распродажа

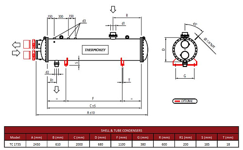
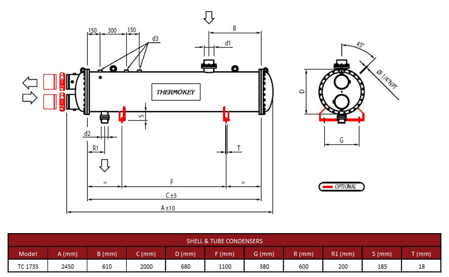
Конденсатор кожухотрубный Thermokey серии «TC» 1735 кВт, R407c, Tk=+33.5 , Tw +15 / +30, TC 1735

Цена: 
100 ₽
Количество на складе: отсутствует
  • Артикул: TC 1735
  • Бренд: Thermokey
  • Вес кг: 830
  • Вместимость по воде дм3: 220
  • Вместимость по хладагенту дм3: 350
  • Исполнение: 4-х ходовое
  • Потери давления кПа: 40,9
  • Производитель: Thermokey
  • Производительность кВт R407C Tk-+33.5, Tw=+15 / +30: 1 735
  • Патрубки хладагента Вход / Выход: OD141,3 / OD88,9
  • Расход воды м3/час: 99,8

Описание

Конденсатор кожухотрубный Thermokey серии TC (модель TC 1735) рассчитан на работу с хладагентом R407C и обеспечивает теплопередачу порядка 1735 кВт при конденсационной температуре около +33,5 °C и температурном профиле теплоносителя, ориентированном на +15/+30 °C. Объём воды в корпусе составляет 220 дм3, объём хладагента в теплообменнике — 350 дм3; гидравлические параметры включают расход воды примерно 99,8 м3/ч и потери давления на стороне хладагента порядка 40,9 кПа. Для присоединения к холодильному контуру применены патрубки наружным диаметром OD141,3 мм для входа и OD88,9 мм для выхода хладагента.

Конструкция выполнена по четырёхходовой схеме кожухотрубного теплообменника, что обеспечивает последовательное прохождение хладагента через трубный пучок и позволяет оптимизировать гидродинамические и тепловые режимы. Трубный пучок оснащён оребрёнными трубами с канавками во внутреннем диаметре, что повышает турбулентность и коэффициент теплообмена со стороны хладагента, а внешнее оребрение усиливает теплообмен со стороны проточной воды.

В качестве основных материалов используются специализированные медные трубы с наружным оребрением и внутренним канавочно-профильным исполнением, применённые для снижения склонности к загрязнению и увеличения эффективной поверхности теплопередачи. Изготовление и сборка осуществлены производителем Thermokey с учётом требуемой ёмкости и конструктивных решений кожухотрубных аппаратов; по техническому запросу возможна адаптация для работы с морской водой.

Аппарат предназначен для использования в системах промышленного охлаждения и кондиционирования с большими тепловыми нагрузками, например в чиллерных установках складских комплексов, логистических центров и предприятий пищевой промышленности; при проектировании установки следует учитывать заявленные гидравлические характеристики, размеры патрубков и потери давления для согласования с компрессорной группой и насосным оборудованием.

×
Оплачивайте картой по ссылке и забирайте товар в нашем офисе в этот же день! Подробнее