Курс € = 100 руб.
Продукция
Корзина
пуста
Личный кабинет
Курс € = 100 руб.
Скрыть меню
Бренды
Компрессорное оборудование
Теплообменное оборудование
Холодильные линейные компоненты
Электроника и автоматика
Емкостное оборудование
Увлажнители воздуха
Капиллярные трубки
Холодильные масла и припой
Вентиляторы
Средства очистки теплообменных блоков
Распродажа

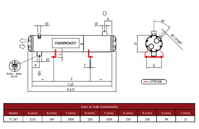
Конденсатор кожухотрубный Thermokey серии «TC» 167 кВт, R407c, Tk=+33.5 , Tw +15 / +30, TC 167

Цена: 
100 ₽
Количество на складе: отсутствует
  • Артикул: TC 167
  • Бренд: Thermokey
  • Вес кг: 96
  • Вместимость по воде дм3: 15,1
  • Вместимость по хладагенту дм3: 35,3
  • Исполнение: 4-х ходовое
  • Потери давления кПа: 36
  • Производитель: Thermokey
  • Производительность кВт R407C Tk-+33.5, Tw=+15 / +30: 167
  • Патрубки хладагента Вход / Выход: ODS42 / RTLK 1-3.4" ODS35
  • Расход воды м3/час: 9,6

Описание

Кожухотрубный конденсатор Thermokey серии TC рассчитан на отвод тепла порядка 167 кВт при работе на хладагенте R407C с расчетной температурой конденсации около +33,5 °C и режимом теплообмена с проточной водой при температурах порядка +15/+30 °C. Гидравлические параметры включают расход охлаждающей воды порядка 9,6 м3/ч и внутренний объём воды порядка 15,1 л; объём хладагента в корпусе составляет приблизительно 35,3 л. Конструктивно выполнен по четырёхходовой схеме с ожидаемыми потерями давления на стороне хладагента около 36 кПа; присоединения хладагента предусмотрены в исполнениях ODS42 и ODS35 с указанным адаптером RTLK 1-3.4".

Конденсатор имеет типовую кожухотрубную компоновку с четырёхходовым распределением потока хладагента, что увеличивает длину теплообменного пути и повышает эффективность теплообмена при заданном габарите. Органы подсоединения и распределительные патрубки выполнены с учётом интеграции в промышленную холодильно-конденсаторную схему; заявленные гидравлические характеристики и потери давления определяют требования к насосной части системы и подводящим магистралям.

Теплообменная часть выполнена с применением специальных медных труб с наружным оребрением и внутренней канавкой, что сочетает повышение эффективной поверхности теплообмена и снижение склонности к быстрому загрязнению. Применение медных элементов обеспечивает хорошую теплопроводность и совместимость с типовыми холодоагентами, а конструктивные решения по оребрению и внутренней профильности труб направлены на сокращение габаритов и массы по сравнению с гладкотрубными реализациями при аналогичной производительности.

Устройство предназначено для встроенного применения в системах охлаждения и кондиционирования промышленных и коммерческих объектов, в том числе объектов пищевой индустрии, складах и логистических комплексах, где применяется хладагент R407C и водяной контур охлаждения. Конденсатор рассчитан на эксплуатацию с водопроводной и колодезной водой; по запросу возможны исполнения, адаптированные для работы с морской водой, что следует учитывать при выборе материалов подводящих магистралей и антикоррозионных средств.

×
Оплачивайте картой по ссылке и забирайте товар в нашем офисе в этот же день! Подробнее