Курс € = 100 руб.
Продукция
Корзина
пуста
Личный кабинет
Курс € = 100 руб.
Скрыть меню
Бренды
Компрессорное оборудование
Теплообменное оборудование
Холодильные линейные компоненты
Электроника и автоматика
Емкостное оборудование
Увлажнители воздуха
Капиллярные трубки
Холодильные масла и припой
Вентиляторы
Средства очистки теплообменных блоков
Распродажа

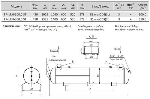
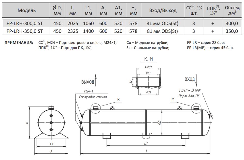
Ресивер горизонтальный FP-LRH(MP)-350 ST

Цена: 
100 ₽
Количество на складе: отсутствует
  • Артикул: FP-LRH(MP)-350 ST
  • Бренд: Frigopoint
  • Объём дм3: 350,0
  • Производитель: Frigopoint
  • Максимальное рабочее давление MWP Бар: 45
  • Соединение пайка Ø Дюймы / мм: 81 мм ODS (St)
  • Соединение сварка ВХОД Ø мм: 81 мм ODS (St)

Описание

Ресивер горизонтального исполнения FP-LRH(MP)-350 ST рассчитан на хранение жидкого хладагента в объёме приблизительно 350 л и предназначен для установки в контурах конденсации и распределения хладагента; корпус адаптирован к эксплуатации при максимальном рабочем давлении до 45 бар. Подключения выполнены под пайку и под сварку с наружным диаметром 81 мм (ODS), что обеспечивает непосредственную стыковку с магистралями соответствующих диаметров и типоразмеров.

Конструкция выполнена в горизонтальном исполнении с рабочими патрубками для ввода и вывода жидкого хладагента одинакового диаметра; в комплект поставки входят смотровые стекла для контроля уровня хладагента и гайка на порту предохранительного клапана (без заглушки), что обеспечивает организацию защитных устройств и визуального контроля.

Изготовлен из стали с применением стандартных технологических способов соединения (пайка и сварка) через ODS-патрубки, что обеспечивает совместимость с промышленными методами монтажа холодильных магистралей; конструкция рассчитана и испытана на заявленное рабочее давление.

Применим в промышленных холодильных установках торговых, логистических и пищевых предприятий в качестве накопительного ресивера между конденсатором и испарителями; совместим с большинством хладагентов при соблюдении предельного рабочего давления, за исключением аммиака (NH3), для которого данная модель не предназначена.

×
Оплачивайте картой по ссылке и забирайте товар в нашем офисе в этот же день! Подробнее