Курс € = 100 руб.
Продукция
Корзина
пуста
Личный кабинет
Курс € = 100 руб.
Скрыть меню
Бренды
Компрессорное оборудование
Теплообменное оборудование
Холодильные линейные компоненты
Электроника и автоматика
Емкостное оборудование
Увлажнители воздуха
Капиллярные трубки
Холодильные масла и припой
Вентиляторы
Средства очистки теплообменных блоков
Распродажа

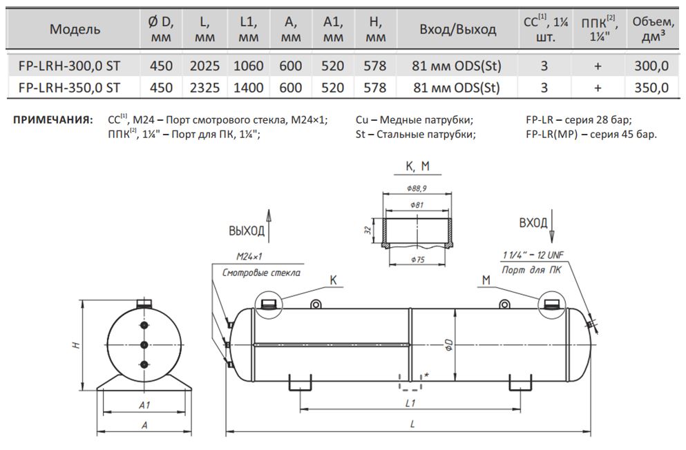
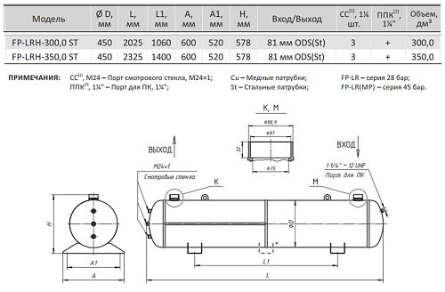
Ресивер горизонтальный FP-LRH(MP)-300 ST

Цена: 
100 ₽
Количество на складе: отсутствует
  • Артикул: FP-LRH(MP)-300 ST
  • Бренд: Frigopoint
  • Объём дм3: 300,0
  • Производитель: Frigopoint
  • Максимальное рабочее давление MWP Бар: 45
  • Соединение пайка Ø Дюймы / мм: 81 мм ODS (St)
  • Соединение сварка ВХОД Ø мм: 81 мм ODS (St)

Описание

Горизонтальный ресивер FP-LRH(MP)-300 ST имеет рабочую вместимость 300,0 дм³ и рассчитан на эксплуатацию при давлении до 45 бар, что определяет его применение в системах с повышенными требованиями к запасу жидкого хладагента и устойчивости к пиковым давлениям.

Конструкция выполнена в горизонтальном исполнении с выводами под стандартные ODS‑фитинги диаметром 81 мм для пайки и под сварное подключение, что обеспечивает удобство монтажных операций и интеграцию в магистральную разводку после конденсатора. В комплект поставки включены смотровые стекла для визуального контроля уровня и гайка на порт предохранительного клапана (без заглушки).

Корпус изготовлен из конструкционной стали (маркировка ST) с технологией изготовления, соответствующей требованиям для сосудов, работающих под давлением; применены типовые методы сварки и подготовки патрубков ODS для герметичных соединений с применением пайки и сварки в зависимости от схемы монтажа.

Ресивер предназначен для накопления и равномерной подачи жидкого хладагента в холодильных системах торговых, логистических и пищевых объектов; совместим с большинством промышленных хладагентов в пределах допустимого рабочего давления и не предназначен для использования с аммиаком (NH3).

×
Оплачивайте картой по ссылке и забирайте товар в нашем офисе в этот же день! Подробнее