Курс € = 100 руб.
Продукция
Корзина
пуста
Личный кабинет
Курс € = 100 руб.
Скрыть меню
Бренды
Компрессорное оборудование
Теплообменное оборудование
Холодильные линейные компоненты
Электроника и автоматика
Емкостное оборудование
Увлажнители воздуха
Капиллярные трубки
Холодильные масла и припой
Вентиляторы
Средства очистки теплообменных блоков
Распродажа

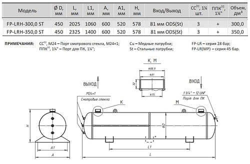
Ресивер горизонтальный FP-LRH-350 ST

Цена: 
141 714 ₽
Количество на складе: отсутствует
  • Артикул: FP-LRH-350 ST
  • Бренд: Frigopoint
  • Объём дм3: 350,0
  • Производитель: Frigopoint
  • Максимальное рабочее давление MWP Бар: 28
  • Соединение пайка Ø Дюймы / мм: 81 мм ODS (St)
  • Соединение сварка ВХОД Ø мм: 81 мм ODS (St)

Описание

Ресивер — это емкость для хранения жидкого хладагента. Ресивер предназначен для сбора жидкости после конденсатора, создания запаса хладагента в системе и равномерной подачи хладагента в испарители. Исполнение и технические характеристики ресивера FP позволяют применять его для работы с любыми хладагентами, согласно допустимых рабочих давлений, кроме NH3. В комплект поставки ресивера хладагента входят смотровые стекла и гайка на порт предохранительного клапана (без заглушки).

×
Оплачивайте картой по ссылке и забирайте товар в нашем офисе в этот же день! Подробнее