Курс € = 100 руб.
Продукция
Корзина
пуста
Личный кабинет
Курс € = 100 руб.
Скрыть меню
Бренды
Компрессорное оборудование
Теплообменное оборудование
Холодильные линейные компоненты
Электроника и автоматика
Емкостное оборудование
Увлажнители воздуха
Капиллярные трубки
Холодильные масла и припой
Вентиляторы
Средства очистки теплообменных блоков
Распродажа

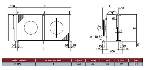
Конденсатор Thermokey серии «Q» 29.5 кВт, R404a, ∆T=15 K, EN 327 2х500 мм, KQ 1250.BD H

Цена: 
100 ₽
Количество на складе: отсутствует
  • Артикул: KQ 1250.BD H
  • Бренд: Thermokey
  • Вес кг: 97
  • Исполнение: горизонтальный воздушный поток (H)
  • Объем труб л: 10
  • Площадь теплообмена м2: 85
  • Производитель: Thermokey
  • Вентиляторы шт х Диаметр мм: 2х500
  • Патрубки Вход / Выход мм: 35 / 28
  • Расход воздуха м3/час: 6 200
  • Производительность кВт R404A DT15K EN327: 29,5
  • Уровень шума dBA 10м: 36

Описание

Конденсатор Thermokey серии «Q» предназначен для работы с хладагентом R404A и обеспечивает холодопроизводительность 29,5 кВт по методике EN 327 при ∆T = 15 K; теплопередающая поверхность теплообменника составляет 85 м², внутренний объём трубной системы — 10 л. Принудительная вентиляция обеспечивается двумя осевыми вентиляторами диаметром 500 мм, суммарный объёмный расход воздуха на приборе составляет порядка 6 200 м³/ч; эквивалентный уровень звукового давления на расстоянии 10 м — 36 дБ(А). Подсоединение к холодильной магистрали реализовано через патрубки условными наружными диаметрами 35 мм (вход) и 28 мм (выход).

Конструкция выполнена в исполнении с горизонтальным направлением воздушного потока, при котором воздушный поток проходит через оребрённый теплообменник параллельно уровню основания корпуса. Двухвентиляторная компоновка обеспечивает равномерное распределение воздуха по поверхности теплообмена и упрощает технологический доступ к узлам обслуживания и подводным патрубкам.

Корпус и несущие элементы выполнены из оцинкованной стали с порошковым покрытием, устойчивым к атмосферным воздействиям, что обеспечивает защиту от коррозии при наружной установке. Теплообменник соответствует требованиям стандартов по испытаниям и расчёту производительности EN 327; применены технологические решения, обеспечивающие герметичность трубной системы и возможность подключения по стандартным трубопроводным диаметрам.

Устройство предназначено для использования в отдалённых конденсаторных схемах холодильных установок коммерческих и промышленных объектов — торговых помещений, складов и холодильных камер пищевой промышленности — с системами на R404A; габарит и акустические характеристики учитываются при размещении в зоне с требованиями по шуму и вентиляции.

×
Оплачивайте картой по ссылке и забирайте товар в нашем офисе в этот же день! Подробнее